1.1. Elektronický obvod

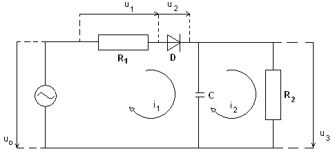
Elektronický obvod (obr.1) vzniká vzájomným spojením elektronických súčiastok tak, aby súčiastkami mohol pretekať elektrický prúd po pripojení zdroja elektrickej energie. Súčasne medzi jednotlivými časťami obvodu pôsobí elektrické napätie.

Obr. 1 Elektronický obvod

Otázky na opakovanie:

  1. Čo je to elektronický obvod a ako vzniká?

  2. Čo pôsobí medzi jednotlivými časťami el. obvodu?

 

       SpäťMENUPokračuj