Žiarivky, žiarivkové dvojča, výbojky
| Elektrické svetelné zdroje - žiarovka |
| Žiarivky, žiarivkové dvojča, výbojky |
| Vývojové trendy a novinky v osvetlení |
Oblúkovky patria medzi najstaršie zdroje elektrického svetla. Elektrický oblúk, ktorý je zdrojom svetla, vzniká medzi uhlíkovými alebo kovovými elektródami.
Účinnejšími svetelnými zdrojmi sú však výbojky, tlejivky a svietiace rúrky. Svetlo v nich vzniká studenou cestou elektrickým výbojom v plynoch alebo kovových parách, a to priamo alebo luminiscenciou.
Výbojky sa skladajú z výbojovej rúrky rôznych rozmerov a konštrukcií. Obsahujú aj stopy ortuti, sodíka, kadmia alebo iných ľahko odparovateľných kovov.
Ak napätie medzi elektródami dosiahne hodnotu zápalného napätia, nastane elektrický výboj, plyn sa ionizuje a sláva sa vodivým. V praxi sa používajú sodíkové (so žltým svetlom), ortuťové nízkotlakové, vysokotlakové výbojky a. s veľmi vysokým tlakom (s bielym svetlom do modra)a zmesové výbojky.

Obr. 1 Výbojka
Tlejivky sú výbojky so studenými elektródami, v ktorých nastáva tlejivý výboj. Vzdialenosť elektród je takámalá, že z celého výboja zostane len tlejivé katódové svetlo. Banky sa naplnia neónom alebo zmesou neónu alebo hélia. Pri jednosmernom napätí žiari len katóda, pri striedavom napätí žiaria obidve elektródy. V praxi sa tlejivky používajú na signalizačné a indikačné účely, na kontrolu poistiek, zapnutých spínačov nn. stavu elektrických spotrebičov, žiaroviek, indikátorov napätia nn a vn, stabilizátorov napália a pod.

Obr. 2 Tlejivka
Svietiace rúrkysú sklené rúrkové výbojky na vysoké napätie naplnené vzácnymi (inertnými) plynmi. Od r. 1933 sa začali používať okrem neónu (farba červená), argónu (zelená), hélia (bielo ružová), kryptónu (ružová), neónu a ortuti (modrá), neónu a argónu (zelená) a aj luminofory.
Luminofóry sú sírany, volfrámany a chrómany Zn, Cd, Ba, Sr, alebo kysličníky niektorých kovov ( horčíka , stroncia , vápnika) do týchto látok sa pridáva malé množstvo aktivátorov (1%) zlato, striebro, vizmut. Ich zmesi v podobe práškov sa nanášajú na vnútorný povrch rúrok. Luminofóry sú látky , ktoré majú schopnosť pohlcovať žiarenie určitých vlnových dĺžok a v dôsledku toho sa stať zdrojom viditeľného žiarenia. Uplatňujú sa však najčastejšie v röntgenovej technike.
Fluorescenčné svetelné zdrojesú žiarovky a luminoforové svietiace rúrky na vysoké napätie.Fluorescencia je nezotrvačná premena časti žiarivej energie pohltenej látkou pri ožiarení na nové žiarenie inej vlnovej dĺžky. Tento javpretrváva len krátky čas od okamihu, keď sa ožiarenie prerušilo (asi 10-8 až 10-5 s).
Žiarivky sú v podstate fluorescenčné nízkotlakové ortuťové výbojky. Rúrky sa plnia argónom a prímesou ortute. Elektródy sú volfrámové, pokryté vrstvou BaO, SrO, CaO.
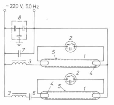
Na obr. 3 je schéma zapojenia dvoch žiariviek - dvojča. Pretože sa elektródy musia pri zapaľovaní žiarivky predhrievať, spájajú sa štartérom (zapaľovačom), ktorý tvorí tlejivka s paralelne pripojeným odrušovacím kondenzátorom (stačí aj jeden pre obidve žiarivky).Pri pripojení žiarivky na sieť vznikne v tlejivke výboj, ktorým sa ohreje jedna jej elektróda, ktorú tvorí dvojkovový (bimetalový) prúžok a spojí sa s druhou pevnou elektródou tlejivky. Elektródy žiarivky sa nažeravia, čo trvá asi l s a ionizujú prostredie v rúrke. Po uplynutí tohto času sa dvojkovový prúžok ochladí, preruší štartovací obvod a tým aj žeraviaci prúd elektród. Prerušením prúdu sa v tlmivke indukuje rýchlou zmenou jej magnetického poľa veľké napätie, ktoré umožňuje zapálenie hlavného výboja v žiarivke. Ak žiarivka bliká, je to zapríčinené tým, že štartér periodicky zapaľuje, čo sa stáva ku koncu života žiarivky vplyvom straty oxidu na elektródach, na ktorých sa objavuje zvýšené napätie.
Zapojením žiarivky podľa obrázku sa odstráni stroboskopický jav, ktorý vzniká prerušovaním elektrického výboja 100-krát za sekundu. Je však nevyhnutné do obvodu jednej žiarivky zapojiť kondenzátor na posun fázy v prúdovom obvode žiarivky. Týmto opatrením sa dosiahne zmenšenie chvenia svetla obidvoch žiariviek na minimum, a tým aj odstránenie stroboskopického javu.
Priemerná životnosť žiariviek je až 7000 h. V súčasnosti sa vyrába až 200 druhov žiariviek.

Obr. 3. Inštruktívna schéma zapojenia dvoch žiariviek (duo)
1 - žiarivková rúrka plnená argónom a ortuťou, 2 - štartér –zapaľovač,3 - predradená tlmivka, 4 - elektróda,
5 - luminofor,6 - kondenzátor (na posun fázy prúdu), 7 - kondenzátor (na kompenzáciu účinníka),
8 - odrušovací kondenzátor

Obr. 4 Žiarivka
Žiarivky na vnsú v podstate výbojky so studenými elektródami. Sú dlhšie ako obyčajné žiarivky (1 až 3,5m) a zaradujú sa do série. Napĺňajú sa vzácnymi plynmi (na zapálenie) a ortuťovými parami. Zafarbenie ich svetla sa dosahuje vhodnou voľbou druhu luminofora naneseného na vnútornej stene rúrky. Pracujú už pri zapaľovacom napätí 700 V. pri prevádzke majú napätie nižšie ako 500 V.
Ich výhodou je, že pri zapínaní nepotrebujú na žeravenie štartér a počet zapnutí nie je ohraničený. Majú životnosť asi 10 000 hodín. Používajú sa v priemyselných halách a veľkých miestnostiach.
Elektroluminiscenšné svetelné zdrojesú založené na elektroluminiscencii, ktorá vzniká žiarením luminoforov pod vplyvom elektrického poľa. Na tomto princípe boli vyvinuté plošné svetelné zdroje - elektroluminiscenčné panely (obr. 5).

Obr. 5 Elektroluminiscenčný panel
1 - priehradná podkladoví platňa (hrúbka 4 až 5 mm), 2 - predná priehľadná vodivá elektróda (SnO2),
3 - luminiscenčný prášok - elektroluminofor (ZnS), 4 - reflexná vrstva, 5 - zadná kovová elektróda, 6 - zdroj elektrickej energie, 7 - emitované svetlo
Použitie elektroluminiscenčných zdrojov je veľmi rozsiahle, napr. na osvetľovanie stupníc prístrojov, svietiacich značiek, nápisov, číslicových meracích prístrojov (bezstupnicových), prístrojových platní automobilov, lietadiel, stupníc televízorov a pod.
Rádioluminiscenčné svetelné zdrojesú založené na využití rádioaktívneho žiarenia. Ako zdroj žiarenia sa používajú izotopy rádia, mezotória, stroncia, cézia, trítia a kryptónu 85Kr. Luminoforom je ZnS. Tieto svetelné zdroje sa používajú na miestach, kde sú iné svetelné zdroje nákladné, napr. pre svetelné znamenia na železničných, riečnych, morských, leteckých komunikáciách, v baniach, skladoch horľavín a výbušnín, divadlách, kinách a pod.