Ochrana pred dotykom neživých častí

Ochrana pred dotykom živích častí
Ochrana pred dotykom neživích častí
Základné pojmy ochrany ...
Základné schémy ochrán

Ochranu neživých častí môžeme zabezpečiť týmito ochranami:

Ochrana polohou, zábranou, izoláciou, doplnkovou izoláciou: vysvetlené tu.

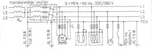
Ochrana nulovaním: v prípadoch, kde to vyžadujú prevádzkové alebo bezpečnostné dôvody (zdravotnícka technika) sa z určitého miesta rozvodu rozdelí nulovací vodič na samostatný pracovný vodič a samostatný ochranný vodič. Nulovací vodič sa nesmie istiť.

Celkový zemný odpor nulovacieho vodiča vedení odchádzajúcich z transformovne vrátane uzemňovacieho bodu zdroja (transformátora) nesmie byť väčší ako 2 W . Táto podmienka sa nemusí dodržať tam, kde je rezistivita pôdy väčšia ako 200 W * m.

Na takom mieste musí celkový zemný odpor vyhovovať vzťahu:
[ W ; W*m]

- najmenšia rezistivita pôdy zistená meraním.

Nulovací vodič sa musí uzemniť vo vnútornom rozvode v domových skriniach v hlavných a podružných rozvádzačoch. Ochrana nulovaním je výhodná pri káblových sieťach miest, závodov a vonkajších sieťach husto zaľudnených obcí v malej vzdialenosti od transformovne. Spoľahlivosť ochrany nulovaním ubúda so vzdialenosťou od napájacej transformovne.

Schéma ochrany nulovaním

Ochrana zemnením: Podstatou tejto ochrany je spojenie neživej časti so zemou. Pri poruche sa chybné zariadenie odpojí pôsobením poruchového prúdu, ktorý sa uzatvára zemou cez uzol transformátora. Ochrana uzemnením je veľmi spoľahlivá, prakticky sa však dá realizovať len do 35 A vypínacieho prúdu poistky. Pri väčších prúdoch je už veľmi ťažko zabezpečiť potrebný ochranný zemný odpor. Preto sa táto ochrana pri väčších prúdoch dopĺňa napäťovými a prúdovými chráničmi.

Schéma ochrany zemnením

Ochrana napäťovým chráničom: je veľmi spoľahlivou ochranou všade tam, kde by ochrana nulovaním alebo uzemnením mohta zlyhat. Ochranný vodič aj zvod musí byť dobre izolovaný, aby nenastala chybná manipulácia chrániča alebo aby ho nevyradilo z prevádzky.

Schéma ochrany napäťovým chráničom

Ochrana prúdovým chráničom: prúdové chrániče odpoja okamžite chybné zariadenie, len čo porušenou izoláciou zariadenia vniká do zeme chybný prúd. Jeho hlavnou časťou je súčtový prúdový transformátor, ktorý zaznamená každú nesúmernosť v odbere elektrickej energie, zapríčinené zemným spojením obvodu. Vtedy sa uvedie do činnosti vypínací mechanizmus prúdového chrániča, ktorý odpojí poškodené zariadenie od siete.

Schéma ochrany prúddovým chráničom