Základné schémy ochrán
| Ochrana pred dotykom živích častí |
| Ochrana pred dotykom neživích častí |
| Základné pojmy ochrany ... |
| Základné schémy ochrán |
Základná schéma zapojenia nulovaním
![]() |
Základná schéma zapojenia zemnením
![]() |
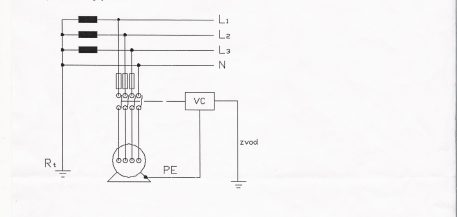
Základná schéma zapojenia napäťového chrániča
![]() |
Základná schéma zapojenia prúdového chrániča
![]() |
![]() |