Meniče
| Výkonové usmerňovače |
| Trojfázový usmerňovač |
| Striedače |
| Meniče |
| Striedavý menič |
Menič mení jednosmerný prúd na striedavý. Hoci menič spotrebováva istú časť energie na svoju prevádzku, takto vyrobená elektrina má rovnaké vlastnosti ako elektrina z verejnej elektrickej sieti.
Menič je zariadenie, ktoré mení jednosmerný prúd z batérie na striedavý (220 V , 50 Hz resp. iné hodnoty). Meniče sú dodávané v rôznych veľkostiach podľa svojho výkonu od asi 250 W (cena asi 300 USD) až po viac ako 8000 W (6000 USD). Moderné meniče sú schopné dodávať elektrickú energiu oveľa lepšej kvality ako bežné elektrárne a prenosová sústava. Menej kvalitné meniče však môžu spôsobovať šum v niektorých elektronických prístrojoch. Sú tiež schopné pracovať ako “bufer” medzi solárnym (domácim) systémom a rozvodnou sieťou, a tak umožniť predávanie nadbytočnej elektriny do siete.
Meniče napätia a frekvencie sa v elektrických pohonoch používajú vtedy, ak potrebujeme zmeniť napäťové alebo frekvenčné parametre siete, ktorú máme k dispozícii.
Statické meniče napätia a frekvencie sa skladajú s tyristorov, riadiacich a komutačných obvodov. Riadiace obvody umožňujú automatické riadenie celého pohonu. Komutačné obvody umožňujú zapínanie a vypínanie tyristorov. Menič napätia s fázovým riadením sa napája striedavým napätím a mení jeho veľkosť pomocou fázového posunu spúšťacích impulzov. Možnosť riadiť veľkosť napätia sa využíva napr. pri stmievačoch žiaroviek.
Impulzné meniče sa využívajú napr. v pohonoch električiek na takmer bezstratové riadenie rýchlosti jazdy.
Podľa vyhotovenia ich rozdeľujeme na:
Statické meniče napätia a frekvencie sa skladajú s tyristorov, riadiacich a komutačných obvodov. Riadiace obvody umožňujú automatické riadenie celého pohonu. Komutačné obvody umožňujú zapínanie a vypínanie tyristorov.
Na bezstratové riadenie menších striedavých prúdov sa používajú triaky, ktorých vlastnosti zodpovedajú vlastnostiam dvoch antiparalelne spojených tyristorov.
Menič napätia s fázovým riadením sa napája striedavým napätím a mení jeho veľkosť pomocou fázového posunu spúšťacích impulzov. Možnosť riadiť veľkosť napätia sa využíva napr. pri stmievačoch žiaroviek, na riadenie jednofázových komutátorových motorov vo vysávačoch, vŕtačkách...
Impulzné meniče sa využívajú napr. v pohonoch električiek na takmer bezstratové riadenie rýchlosti jazdy.
Meniče frekvencie rozdeľujeme na:
Priamy menič frekvencie vytvára výstupné napätie využitím časti sínusoíd striedavého napätia.
V nepriamom sa najskôr usmerní v usmerňovači a potom polovodičovým striedačom zmení na striedavý priebeh s požadovanými parametrami.
Tyristorové meniče predstavujú nelineárnu záťaž, preto spätne ovplyvňujú napájaciu sieť vyššími harmonickými frekvenciami. Toto ovplyvňovanie má za následok zväčšovanie strát v rozvodných sieťach a rádiové rušenie. Každé zariadenie využívajúce polovodičové meniče sa musí odrušiť. Používajú sa filtre harmonických, skladajúce sa zo sériovej kombinácie tlmiviek a kondenzátorov, naladených na rezonanciu určitej harmonickej zložky. V tyristorových meničoch nastáva často rušenie rozhlasu následkom rýchlej zmeny napätia. Odstraňuje sa vysokofrekvenčnými filtrami.
Striedavé meniče
- Sriedavý menič premieňa striedavý prúd daných parametrov na striedavý prúd iných parametrov.
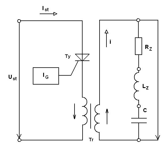
a) Striedavý menič s vonkajšou záťažovou komutáciou pre napájanie jednofázových spotrebičov je scematicky znázornená na obr. 1 . Záťaž sa musí doplniť kondenzátorom C na rezonančný obvod. Kapacitu kondenzátora určíme z Thomsonovno vzorca pre požadovanú rezonančnú frekvenciu.
obr. 1 Princíp jednofázového striedavého meniča s vonkajšou komutáciou
b) Priamy menič frekvencie je spravidla trojfzový šesťstupňový menič, pričom jeho každá fáza je tvarovaná dvoma tyristormi zapojenými proti sebe. Frekvencia výstupného napätia je vždy menšia, než frekvencia napájacieho napätia. Priebeh a tvar výstupného napätia sú na obr. 2.

obr.2 Priebeh a tvar výstupného napätia z meniča frekvencie
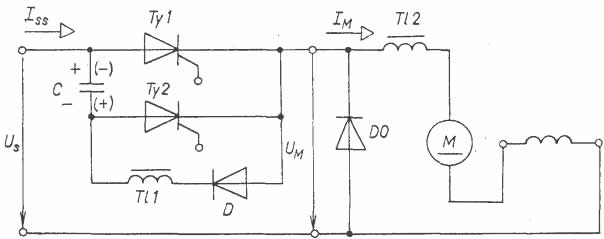
Jednosmerné meniče
- sú určené k premene strednej hodnoty jednosmerného prúdu. Základná schéma jednosmerného meniča s pulzným ovládaním otáčok jenosmerného motoru so sériovým budením je na obr. 3. Princíp riadenia je v tom, že motor periodicky pripájame k meniču jednosmerného napätia. Menič sa skladá z dvoch tyristorov Ty1 a Ty2, komutačného kondenzátora C, diódy D a tlmivky Tl1. Kondenzátor s tlmivkou tvoria oscilačný obvod.
Predpokladajme, že pri počiatočnom stave sú oba tyristory zavreté a kondenzátor nabitý. Polarita je na obr. 3 vyznačená. Privedieme teda prúdový impulz IG na riadiacu elektródu tyristora Ty1, tyristor sa otvorí a kondenzátor sa môže cez tyristor, diódu D a tlmivku Tl1 vybiť. Po prvom kmitnutí sa kondenzátor nabije na opačnú polaritu, ale ďalšiemu kmitu bráni dióda, a preto kondenzátor s touto polaritou zostane nabitý. Prúd prechádza do motoru tyristorom Ty1 po dobu, pokiaľ neprvedieme prúdvý impulz na riadiacu elektródu tyristora Ty2. Akonáhle sa tyristor Ty2 otvorí, kondenzátor sa začne vybíjať cez doteraz otvorený tyristor Ty1 a zmenšuje prúd až na nulu, až sa Ty1 uzavre. Potom sa kondenzátor cez tyristor Ty2 a motor opäť nabije na východziu polaritu. Po ukončenom nabití sa tyristor Ty2 zavre a oba tyristory zostanú uzavret až po dobu, pokiaľ sa nevyšle ďalší riadiaci impulz tyristoru Ty1.

obr. 3 Princíp pulzného riadenia otáčok jednosmerného motoru so sériovým riadením jednosmerným meničom
Využíva sa napr.:
Na to, aby bolo možné využiť v solárnych systémoch elektrospotrebiče, sa do systému vkladá tzv. menič, ktorý mení jednosmerný prúd na striedavý.