Striedače
| Výkonové usmerňovače |
| Trojfázový usmerňovač |
| Striedače |
| Meniče |
| Striedavý menič |
Striedače sú zariadenia určené na zmenu vstupného jednosmerného napätia na výstupné striedavé napätie 115/230V, 50/60Hz (podľa typu striedača).
Striedače v závislosti od typu sú určené pre napájanie elektronických systémov, zariadení výpočtovej, meracej a regulačnej techniky a ostatných systémov. Veľkou prednosťou väčšiny typov striedačov je galvanické oddelenie vstupu od výstupu.
Podľa spôsobu motivácie komutačného procesu a riadenia výstupnej frekvencie rozoznávame:
Autonómny striedač pracuje s nútenou komutáciou, alebo premenlivou výstupnou frekvenciou ktorej veľkosť je určená riadiacimi obvodmi striedača.
Trojfázový striedač Pridaním jednej vetvy s tranzistormi a diódami k schéme jednofázového striedača dostaneme trojfázový striedač.
Viachladinové striedače Používajú sa ako náhrada striedačov pre veľké napätie.

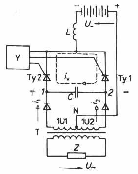
Obr. 1. Vnútorná schéma nezávislého (autonómneho) jednofázového striedača (invertora) s nútenou komutáciou
Y — generátor impulzov, Tyl. Ty2 — tyristory, T — transformátor. C — komutačný kondenzátor
Z generátora impulzov otvoríme vyslaným impulzom tyristora Ty1. Tak sa pripojí batéria k pravej polovici primárneho vinutia transformátora T. Začne sa zväčšovať prúd a v sekundárnom vinutí transformátora sa indukuje napätie. Medzi bodmi 1U1 a 1U2 sa objaví napätie rovnajúce sa dvojnásobku napätia na vinutí 1U1 – N. Kondenzátor C, nazývaný komutačný sa nabije tak, že svorka 1 bude kladná a svorka 2 záporná. Za pól periódy vyšle generátor impulzov zopínací impulz do tyristora Ty2. Kondenzátor C sa začne vybíjať iv – tečie. V tyristore Ty1 prechádza tento prúd iv opačným smerom ako I1 , takže výsledný prúd bude nulový a tyristor Ty1 sa uzatvorí. Prúd I1 ide zo zdroja B ,takže prúd do uzla N a ľavou polovicou transformátora T a otvoreným tyristorom Ty2 k zápornému pólu zdroja. Na sekundárnom vinutí sa teraz indukuje napätie s opačným smerom. Kondenzátor C sa znovu nabije.
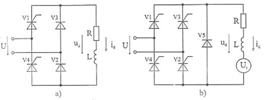
Rovnakého efektu, ako je pripojenie nulovej diódy, dosiahneme v usmerňovači náhradou dvojice tyristorov diódami – obr. 2a). Jedná sa o tzv. poloriadený usmerňovač. Tieto usmerňovače sa používajú napríklad v trakčných aplikáciách. Ich nevýhodou je opäť nemožnosť striedavého chodu. Používajú sa i iné varianty zapojení poloriadených mostíkov.

obr. 2 Odstránenie záporných napäťových úsekov
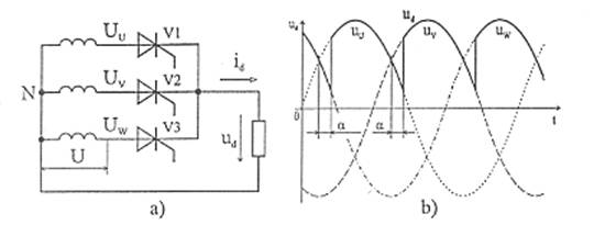
3-fázové uzlové zapojenie
Ak je k dispozícií trojfázová sieť, využívajú sa prevažne trojfázové usmerňovače, lebo ich výstupné napätie je zvlnené menej, než u usmerňovačov jednofázových. Trojfázový uzlový usmerňovač vytvára usmernené napätie z troch fáz napätia. Na obr. 3a ) je znázornené pripojenie usmerňovača na výstup napájacieho transformátoru a príklad priebehu výstupného napätia. Konštanta usmerňovača je u trojfázového uzlového usmerňovača rovná 1,17. Trojfázové uzlové usmerňovače boli výhodné v ére ortuťových usmerňovačov, vďaka možnosti realizácie spojenia s jednou spoločnou elektródou. V súčasnosti sa príliš nevyužívajú.

obr. 3 Trojfázový uzlový usmerňovač
Trojfázové mostíkové zapojenie
V trojfázových napájacích sústavách sa jedná o najčastejšie používané zapojenie 4a) . Trojfázový mostíkový usmerňovač vytvára usmernené napätie zo šiestich sínusových priebehov z troch združených napájacích napätí s efektívnou hodnotou
. U a troch sínusových napätí posunutých oproti združeným napätiam o 180° . Príklad priebehu výstupného napätia je na obr. 4b) Na obr. 4c) je priebeh vstupného napätia a výstupného napätia a prúdu pri reálnej R-L záťaži pri riadiacom prúde α = 90°.



obr. 4 Trojfázový mostíkový usmerňovač
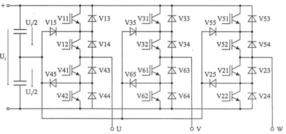
Trojfázový striedač
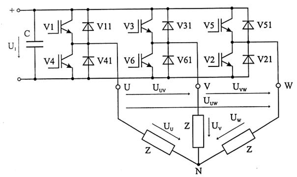
Pridaním jednej vetvy s tranzistormi a diódami k schéme jednofázového striedača dostaneme trojfázový striedač (obr. 5). Na výstupe striedača je formovaná trojfázová sústava napätí s premenným kmitočtom a efektívnou hodnotou základnej harmonickej. Napätia uUV, uUW a uVW sú združené, napätia uU, uV a uW sú fázové. Ak si odmyslíme jednu fázu, môžeme sa na združené napätia pozerať ako na napätie na výstupe jednofázového striedača a obvodové vlastnosti sú teda rovnaké. Na rozdiel od jednofázového striedača je však nutné pri vyšetrovaní pomerov v každej vetve striedača vziať do úvahy stav zvyšných dvoch vetví.

obr. 5 Trojfázový striedač
Viac hladinové striedače
U striedačov pre vysoké napätie sa vzhľadom k problémom pri sériovom radení GTO a IGBT prvkov hľadali iné cesty. Jednou z nich je využitie viac hladinových striedačov. Počet hladín sa u striedačov odvodzuje od počtu pólov vstupného jednosmerného obvodu.
Trojhladinový striedač (obr. 6) má pomocou kapacitného deliča vytvorený tretí(stredný) pól napájacieho obvodu. Tým je dané k dispozícií polovičné napätie oproti celkovému napájaciemu napätiu a zároveň sú výkonové súčiastky namáhané menším napätím.