Trojfázový usmerňovač
| Výkonové usmerňovače |
| Trojfázový usmerňovač |
| Striedače |
| Meniče |
| Striedavý menič |
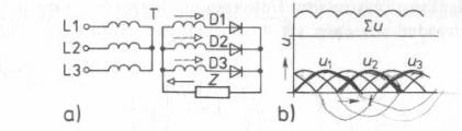
Na väčšie výkony sa najmä v priemysle používajú polovodičové usmerňovače napájané z trojfázovej siete. Na obr. 1 je schéma trojfázového usmerňovača v uzlovom zapojení a priebeh ním usmerňovaného napätia V podstate sú to tri jednofázové usmerňovače, na ktorých sú napätia vzájomne posunuté o 120°. Usmernené napätie na záťaži je dané obálkou kladných polvĺn. Podobný priebeh má j usmernený prúd.

Obr. 1 Schéma trojfázového usmerňovača v uzlovom zapojení (a) a priebeh ním usmerneného napätia (b)

Obr. 2 Schéma trojfázového usmerňovača v mostíkovom zapojení (a) a priebeh ním usmerneného napätia (b)
Trojfázový usmerňovač v mostíkovom zapojení je na obr. 2. V tomto zapojení nie je uzol transformátorov vyvedený a diódy sú pripojené k združenému sekundárnemu napätiu. Podľa sledu polarít združených napätí sú dve diódy otvorené striedavo a pravidelne, kým tretia dióda je uzatvorená. Z priebehu napätia vidieť, že zväčšením počtu fáz pri uzlovom zapojení sa dosiahne zmenšenie vlnenia.
Využíva sa tam, kde sa vyžaduje aby filtrované jednosmerné napätie nekolísalo. Zaraďuje sa sem preto filter – stabilizátor napätia, ktorým sa ešte viac potláča striedavá zložka napätia.
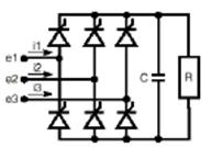
Trojfázový usmerňovač s C filtrom v jednosmernom medziobvode napríklad:


Obr. 3 Menič pre reguláciu rýchlosti jednosmerného motora