Striedavý menič
| Výkonové usmerňovače |
| Trojfázový usmerňovač |
| Striedače |
| Meniče |
| Striedavý menič |
Striedavý menič premieňa striedavý prúd daných parametrov na striedavý prúd iných parametrov.
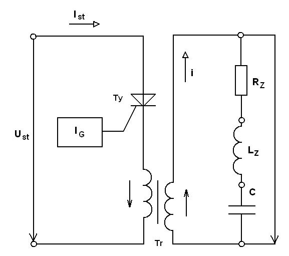
a) Striedavý menič s vonkajšou záťažovou komutáciou pre napájanie jednofázových spotrebičov je scematicky znázornená na obr. 1 . Záťaž sa musí doplniť kondenzátorom C na rezonančný obvod. Kapacitu kondenzátora určíme z Thomsonovno vzorca pre požadovanú rezonančnú frekvenciu.
Menič sa skladá z dvoch obvodov. V obvode pripojenom na jednofázové striedavé napätie o frekvencií 50Hz je zapojený tyristor Ty a vstupné vinutie transformátora T. Sériový rezonančný obvod tvorí záťaž o indukčnosti a odporu, kondenzátor a výstupné vinutie transformátora.
obr. 1 Princíp jednofázového striedavého meniča s vonkajšou komutáciou
Po privedení prúdového impulzu IG na riadacu elektródu tyristora sa tyristor otvorí a obvodom začne prechádzať prúd, ktorý sa transformuje do rezonančného obvodu. Pri prechode prúdu nulou (pri poklese pod hodnotu IH) sa tyristor zavrie a rezonančný obvod kmitá. Až po útlmu v rezonačnom obvode je vyslaný ďalší prúdový impulz k ootvoreniu tyristora.
b) Priamy menič frekvencie je spravidla trojfzový šesťstupňový menič, pričom jeho každá fáza je tvarovaná dvoma tyristormi zapojenými proti sebe. Frekvencia výstupného napätia je vždy menšia, než frekvencia napájacieho napätia. Priebeh a tvar výstupného napätia sú na obr. 2. Ak má vstupné napätie frekvenciu 50Hz, frekvencia výstupného napätia je maximálne 20Hz. Frekvenciu je možné znížiť až na nulu. Priamy menič frekvencie (predtým nazývaný ako cyklokonvertor) sa používa k riadniu otáčok asynchrónnych a synchrónnych motorov veľkých výkonov, k napájaniu trakcie na striedavý prúd a pod.

obr.2 Priebeh a tvar výstupného napätia z meniča frekvencie