Ručné riadenie motorov
| Elektrické pohony |
| Spôsoby regulácie el. pohonov |
| Pohon s reguláciou otáčok |
| Ovládanie el. pohonov - ručne |
| Ovládanie el. pohonov - automatické |
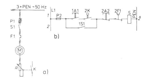
Najjednoduchšie pohonné zariadenia umožňujú obsluhe spustiť, zastaviť motor a niekedy nastaviť a udržiavať otáčky v požadovaných medziach. Na obr. 1 je príklad tlačidlového ovládania motora s ručným spúšťačom. Spúšťanie je blokované koncovým spínačom (k), ktorý zaručuje, že motor nemožno spustiť, ak v rotorovom spúšťači nie je zaradený maximálny odpor.

Obr. 1 Obvodová schéma tlačidlového ovládania asynchrónneho krúžkového motora
s ručným rotorovým spúšťačom
a) jednopólová schéma hlavných obvodov, b) riadková schéma pomocných obvodov