Samočinné spúšťanie motorov
| Elektrické pohony |
| Spôsoby regulácie el. pohonov |
| Pohon s reguláciou otáčok |
| Ovládanie el. pohonov - ručne |
| Ovládanie el. pohonov - automatické |
Jednosmerné motory a asynchrónne krúžkové motory sa spúšťajú rezistormi.Pri rozbehu sa spúšťací rezistor postupne samočinne vyraďuje z prevádzky. Priebeh uhlovej rýchlosti ω a prúdu pri rozbehu jednosmerného motora je na obr. 1.
Počas rozbehu je najskôr zaradený celý rezistor R1 pričom uhlová rýchlosť vzrastá a pn d sa zmenšuje. V okamihu t1 sa vyradí časť rezistora R1, takže zostane zaradená len časť rezistora R2. Prúd síce veľmi rýchlo vzrastie, ale s ďalším vzrastom uhlovej rýchlosti opäť pomaly ubúda, čo sa deje až do okamihu t2 , kedy sa vyradí rezistor R1 a rotor sa ustáli na menovitých otáčkach uvedených na jeho štítku.

Obr. 1 Priebeh uhlovej rýchlosti a prúdu pri rozbehu jednosmerného motora s cudzím budením odporovým spúšťačom
a) obvodová schéma hlavných obvodov, b) diagram prúdu i arýchlosti ωpočas rozbehu

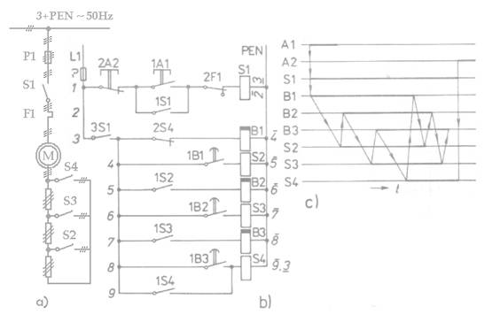
obr. 2 Spúšťanie asynchrónneho motora s krúžkovou kotvou na základe princípu času
a) obvodová schéma hlavných obvodov, b) riadková schéma pomocných obvodov, c) spínací diagram spúšťania, B1, B2, B3 –časové relé