Jednofázové transformátory

Rozdelenie a použitie transformátorov
Jednofázové transformátory
Trojfázové transformátory
Paralelný chod transformátorov
Riadenie napätia transformátorov
Asynchrónne stroje
Jednofázový asynchrónny motor
Trojfázový asynchrónny motor nakrátko
Synchrónne stroje
Striedavé komutátorové motory
Jednofázový komutátorový motor
Trojfázový komutátorový motor
Jednosmerné stroje
Dynamá a jednosmerné motory
Špeciálne druhy motorov

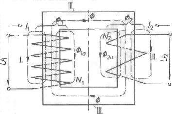
Základnou časťou každého transformátora je magnetický obvod, ktorý je zložený z elektrotechnických plechov hrúbky 0,35 alebo 0,5mm. Na železnom jadre sú navinuté dve cievky a to primárna (vstupná) I  sekundárna (výstupná) II . Vinutia sú ukončené na veku transformátorovej nádoby.

Základná schéma jednofázového transformátora

Pri návrhu transformátora používame tieto vzťahy:

  • pre okamžité hodnoty napätia platí:

 

 

  • pre efektívne hodnoty napätia a prúdu platí:
Transformačný pomer:

Základné vlastnosti transformátorov zisťujeme z merania naprázdno a z merania nakrátko.

Príkon nameraný pri chode naprázdno sa rovná stratám v železe a stratám, ktoré vzniknú prechodom prúdu naprázdno vstupným vinutím transformátora.

Príkon zistený pri meraní nakrátko sa spotrebuje na krytie strát vo vinutí transformátora a na dodatočné straty, ktoré vznikajú nerovnomerným rozdelením prúdu vo vodičoch väčšieho prierezu a v kovových konštrukciách obklopujúcich vinutie.

Transformátor je zväčša trvalo pripojený na sieťové napätie, takže ustavične odoberá príkon na krytie strát naprázdno. Podstatné zmenšenie strát v železe dosiahneme použitím orientovaných plechov (valcovaných za studená), ktoré majú špecifické straty len 0,6 až 0,8 W kg 1.

Pri meraní nakrátko zisťujeme percentuálne napätie nakrátko, ktoré je velmi dôležitým parametrom transformátora.

Napätie nakrátko je dane vzťahom: (%; V,V; A, W, V)
Z napätia nakrátko určíme impedanciu transformátora podľa vzťahu:

Čím väčšie je napätie nakrátko, tým menší je prúd nakrátko, a tým menšie sú aj straty vo vinutí transformátora, t. j. straty nakrátko.

Celkové straty transformátora sú dané súčtom strát naprázdno a nakrátko:

Jednofázové transformátory sa konštruujú dvoma spôsobmi.

Podľa konštrukcie magnetického obvodu a spôsobu vinutia delíme transformátory:

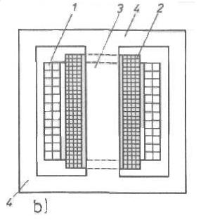
a, Jadrové

b, Plášťové

1 - cievky nn (II), 2 - cievky vn (I), 3 - jadro transformátora, 4 - magnetická spojka